某冶煉廠熔鑄工序307班鋅錠碼垛作業線機械臂主操手被機器人夾死
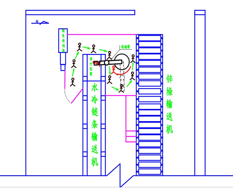
2019年6月6日凌晨5時29分,某冶煉廠熔鑄工序307班鋅錠碼垛作業線機械臂主操手(小組長)金某在自動碼錠機組未停機情況下,從未關閉的隔離欄安全門進入自動碼錠機作業區域,在機械臂作業半徑內進行場地衛生清掃。

金某行走至碼錠機取錠位置與機械臂區間時,因頂錠裝置接收到水冷鏈條傳輸過來的鋅錠,信號傳輸至機械臂,機械臂自動旋轉取錠,瞬間將金某推倒在頂錠裝置上,鋅錠抓取夾具擠壓在金某左部胸腔。 鋅錠打包工張某立即啟動急停開關,并呼叫附近人員一起實施救援,副廠長王某聽到呼叫聲,立即趕到現場參與救援。王某、張某等人手動控制將頂錠裝置降落復位,并將金某身下壓覆的鋅錠取出,增大活動空間,但仍無法救出,后使用撬棍抬升機械臂等方式,均未能將金某救出。 熔鑄工序307班班長楊某趕到現場后,組織人員拆卸機械臂地腳螺栓,用電動單梁吊吊起機械臂,將金某救出。 120救護人員趕到現場實施搶救,后送往醫院,金某經搶救無效死亡。
金某違反《機械臂安全環保技術操作規范》Q/YCQXJ3060.新增-2019中4.3.5“嚴禁在機械臂作業時進入作業區域空間” ,以及5.3.2.3“機械臂斷電后,操作人員方可進入作業半徑內”的規定,違章進入自動碼錠機機械臂作業半徑區域進行清掃作業。

事故現場圖片
金某違反規程“嚴禁違章穿越或進入正在運轉的設備設施”,該行為未能得到有效遏制和杜絕,導致事故發生。 企業對《機械臂安全環保技術操作規范》、《機械臂技術規范》教育培訓不到位,員工安全風險防范意識不強。 現場安全防護設施不完善,隔離欄安全門與機械臂未有效連鎖。 現場人員未能清晰掌握機械臂手臂發生人員困住的解救措施,應急處置能力不足。
