漏電,它的準確名稱是單相接地故障。因為英文里大地的首字母是G,故單相接地故障保護一般叫做G保護。當發生漏電后會有兩種現象出現。第一種現象是對人體產生電擊傷害,第二種現象是發生線路過熱并引起電氣火災。題主所說的家庭配電中的漏電保護指的就是第一種現象。以下我們來探討一番。
1.漏電保護的類型
第一種類型用于人身用電安全防護,漏電保護器的動作門限電流從10毫安到50毫安,一般用30毫安的規格。第二種用于人身用電安全防護和消防電氣火災防護,漏電保護器的動作門限電流從50毫安到100毫安。第三種用于消防電氣火災防護,漏電保護器的動作門限電流大于100毫安。
2.漏電保護測量的原理
我們看下圖:

圖1:漏電保護器工作原理
圖1中的L是相線,N是中性線,PE是地線。我們看到用電設備的外殼接到地線上。正常使用時,相線電流Ix與中性線電流In大小相等方向相反,兩者之和等于零,即Ix+In=0。漏電保護器RCD不會有輸出,前接斷路器也不會出現保護跳閘。當發生漏電后,一部分相線電流流經地線PE返回電源,故相線電流與中性線電流之和不等于零。我們把兩電流之和叫做剩余電流Ig,此時Ig=Ix+In≠0。漏電保護器的控制器會啟動操控機構使得前接斷路器執行保護跳閘。這就是單相漏電保護器RCD的工作原理。這種單相漏電保護器廣泛運用于居家配電系統和寫字樓配電系統。
我們看下圖:

圖2:三相漏電保護器RCD的工作原理(TT接地系統)
我們設三相電流是Ia、Ib和Ic,中性線電流是In,若三相不平衡電流是Id,則有:

中性線電流In與三相不平衡電流大小相等方向相反,因此在正常情況下,則有:

當發生漏電后,沿著地線PE經過地網返回電源的單相接地故障電流則是:

我們把它叫做剩余電流。若剩余電流超過RCD的動作限值,則RCD動作并驅動斷路器執行跳閘。
這就是漏電保護器的工作原理。
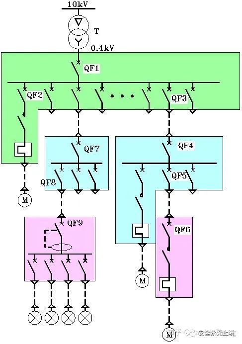
3.工廠企業中的漏電保護器安裝在哪里?
我們看下圖:

圖3:工廠的配電系統示意圖
圖3中,與電力變壓器直接相連的配電系統(綠色)叫做一級配電系統,它的特點是電流和短路電流很大。一級配電系統一般位于主配電室或者變電所里;一級配電系統的饋電回路通過電纜把電能輸送到車間配電室的二級配電系統(天藍色)中,二級配電系統的電流和短路電流比一級配電系統小;二級配電系統的饋電回路通過電纜把電能輸送到末端用電設備處,我們叫做三級配電系統(粉色)。在圖3中,我們看到三級配電系統的主進線斷路器下方配了漏電保護器RCD,當然它是三相的。我們在一級配電和二級配電中并未見到漏電保護器RCD的圖符,這是因為漏電保護或者單相接地故障保護的功能已經被包含在斷路器的脫扣器中了。
我們看下圖:

圖4:框架斷路器脫扣器中的單相接地故障G保護
圖4中左側是框架斷路器的面板,右側是它的脫扣器操作面板,其中的G保護就是執行單相接地故障保護(漏電保護)的選項。其它L、S和I的功能是過載保護、短路短延時保護和短路瞬時保護。我們把四者合并起來,叫做LSIG四段線路保護。在工廠車間配電室低壓開關柜中,我們常常見到帶電子式脫扣器的塑殼斷路器。下圖是帶電子式脫扣器塑殼斷路器的保護參數表:

圖5:電子式脫扣器的塑殼斷路器保護參數表
注意看圖5中的G保護,它既可以實現門限電流的調節和整定,也可以實現脫扣時間的調節和整定。