常用流量計的正確安裝方式,你知道嗎?
流量計指示被測流量和(或)在選定的時間間隔內流體總量的儀表,也是測量液體、氣體流量必不可少的儀表,大家平時想必也都見過許多不同類型的流量計。正確的安裝方式對流量計來說十分重要。下面通過本文跟隨流程君來了解一下八類常用流量計的安裝要點。
流量測量的發展可追溯到古代的水利工程和城市供水系統。古羅馬凱撒時代已采用孔板測量居民的飲用水水量。公元前1000年左右古埃及用堰法測量尼羅河的流量。我國著名的都江堰水利工程應用寶瓶口的水位觀測水量大小等等。17世紀托里拆利奠定差壓式流量計的理論基礎,這是流量測量的里程碑。自那以后,18、19世紀流量測量的許多類型儀表的雛形開始形成,如堰、示蹤法、皮托管、文丘里管、容積、渦輪及靶式流量計等。20世紀由于過程工業、能量計量、城市公用事業對流量測量的需求急劇增長,才促使儀表迅速發展,微電子技術和計算機技術的飛躍發展極大地推動儀表更新換代,新型流量計如雨后春筍般涌現出來。至今,據稱已有上百種流量計投向市場,現場使用中許多棘手的難題可望獲得解決。我國開展近代流量測量技術的工作比較晚,早期所需的流量儀表均從國外進口。

電磁流量計的測量原理不依賴流量的特性,如果管路內有一定的湍流與漩渦產生在非測量區內則與測量無關。
安裝要點

A、安裝地點不能有大的振動源,并應采取加固措施來穩定儀表附近的管道;
B、不能安裝在大型變壓器、電動機、機泵等產生較大磁場的設備附近,以免受到電磁場的干擾;
C、傳感器與管道連接時應保證滿管運行,最好垂直安裝;
D、變送器外殼接地與就近接地網連接即可;屏蔽電纜(分體式)按說明書連接,信號電纜(至系統)進行屏蔽層系統處單端接地;測量傳感器與管道連接的短路環需要接地,接地電阻應小于10歐姆,不能與電氣接地共用;
E、流量計傳感器上游也應該有一定的直管段,一般在5D~10D。
安裝詳解如下:
如果在測量區內有穩態的渦流則會影響測量的穩定性和測量的精度,這時可以增加前后直管段的長度、采用一個流量穩定器或減少測量點的截面以穩定流速分布。
流量計可以水平和垂直安裝,但是應該確保避免沉積物和氣泡對測量電極的影響,電極軸向保持水平為好。垂直安裝時,流體應自下而上流動。

傳感器不能安裝在管道的最高位置,這個位置容易積聚氣泡。

確保流量傳感器在測量時,管道中充滿被測流體,不能出現非滿管狀態。
如管道存在非滿管或是出口有放空狀態,傳感器應安裝在一根虹吸管上。

電磁流量計的常規直管段要求是前10D后5D,在有彎管、閥門的情況分別有不同的要求。

電磁流量計接地的原因:
電磁流量計內的測量電極處于一個直流或交流電場內,如果其環境不能有效地被屏蔽于一個無干擾的條件下,對測量有嚴重干擾。
傳感器外殼接地與否,直接關系到測量的精度和穩定性,接地導線必須不傳任何干擾電壓,因此電磁流量計要求有非常可靠的接地,要做好接地屏蔽,否則就會產生干擾電流。
電磁流量計接地的好處:
若連接流量計的管道是(相對于被測介質)絕緣的則要用接地環,它的材質應根據被測介質的腐蝕性選用。
如果是聚四氟乙烯內襯的測量傳感器,為了保測量傳感器能正常工作,要選用接地環。


超聲波流量計也是比較常見的流量計,它的安裝在所有流量計的安裝中是最簡單便捷的,只要選擇一個合適的測量點,把測量點處的管道參數輸入到流量計中,然后把探頭固定在管道上即可。

安裝要點
1、選擇充滿流體的材質均勻質密、易于超聲波傳輸的管段,如垂直管段或水平管段。 2、安裝距離應選擇上游大于10倍直管徑、下游大于5倍直管徑以內無任何閥門、彎頭、變徑等均勻的直管段,安裝點應充分遠離閥門、泵、高壓電和變頻器等干擾源。

3、避免安裝在管道系統的最高點或帶有自由出口的豎直管道上。

4、對于開口或半滿管的管道,流量計應安裝在U型管段處。

渦街流量計主要安裝要求是對于直管段的要求及管道振動要求,渦街流量傳感器的上游側和下游側應有較長的直管段;管道不能有振動,如有振動,則需對流量計兩側加固定裝置。
安裝要點
對于渦街流量計來說,測量氣體流量時,若被測氣體含有少量的液體,流量計應安裝在管線的較高處。
測量液體時,若被測液體中含有少量的氣體,流量計應安裝在管線的較低處。
測壓孔和測溫孔:
需要測壓時,須將測壓孔設置在流量計下游2~7D的地方。需要測溫時,將溫度傳感器設置在離測壓點下游的1~2D之間處。

管道支撐:
盡量將流量計安裝在振動加速度小于20m/s2的地方。當管道振動過強時,應對管道安裝加固支撐。
封墊片:
切不可將密封墊片突出到管道中,否則將導致無法接受的誤差。

安裝要點
渦輪流量計可水平、垂直安裝,垂直安裝時流體方向必須向上。液體應充滿管道,不得有氣泡。 安裝時,液體流動方向應與傳感器外殼上指示流向的箭頭方向一致。安裝時必須使管道內流體滿管,才能保證測量精準。

流量計上游端至少應有10倍公稱通徑長度的直管段,下游端應不少于5倍公稱通徑的直管段,其內壁應光滑清潔,無凹痕、積垢和起皮等缺陷。
傳感器的管道軸心應與相鄰管道軸心對準,連接密封用的墊圈不得深入管道內腔。不同情況下的直管段要求如下圖。

同時在安裝時應避免管道內產生氣泡,否則會影響測量的精度。

威力巴流量傳感器,是根據差壓式工作原理、插入式安裝方法設計的流量傳感器。

結構特點:科學的橫面形狀、獨特的抗堵設計、傳感器表面粗糙處理和防淤槽。

安裝要點
水平管道基本安裝方式 對于水平管道,測量氣體時推薦安裝在管道上方160度范圍內,尤其對于有大量水粉的氣體時,我們只推薦這樣安裝; 測量液體時推薦安裝在管道下方160度范圍內,尤其對于含有大量氣體的液體時,我們只推薦這樣安裝; 但有一點要注意,對于那些極易氣化的液體,如液態的烯烴類介質,安裝時插入方向同氣體,在管道上方。 測量蒸汽時只推薦傳感器安裝在管道下方160度內,并且要使傳感器處于整個測量裝置的最高點。

對于垂直管道,理論上可以在360度內安裝。對于含有大量水分的濕氣體,推薦傳感器安裝時向上傾斜5度,如左圖所示。
對于含有大量氣體的液體,推薦傳感器安裝時向下傾斜5度,如右圖所示。對于蒸汽,推薦傳感器安裝時下傾斜5度,如右圖,且傳感器應該處于整個測量系統中的最高點。

當管道上、下游的直管段不夠長時,我們推薦在彎管后2倍管道內徑處安裝威力巴,因在彎管后的流體剖面較復雜,需將流體系數K做適當的調整。調整K系數后,測量精度為±3%,重復精度為±0.3%



安裝要點
1、儀表安裝方向 絕大部分轉子流量計必須垂直安裝在無振動的管道上,不應有明顯的傾斜,流體自下而上流過儀表。轉子流量計中心線與鉛垂線間夾角一般不超過5度,高精度(1.5級以上)儀表θ≤20°。如果θ=12°則會產生1%附加誤差。儀表無嚴格上游直管段長度要求,但也有制造廠要求(2-5)D長度的,實際上必要性不大。 2、用于污臟流體的安裝 應在儀表上游裝過濾器。帶有磁性耦合的金屬管轉子流量計用于可能含磁鐵性雜質流體時,應在儀表前裝磁過濾器。要保持浮子和錐管的清潔,特別是小口徑儀表,浮子潔凈程度明顯影響測量值。 3、轉子流量計擴大范圍度的安裝 如果測量要求的流量范圍度寬,范圍度超過10時,可以在一臺儀表內放兩只不同形狀和重量的浮子,小流量時取輕浮子讀數,浮子到頂部后取重浮子讀數,范圍度可擴大到50-100。 4、轉子流量計脈動流的安裝 流動本身的脈動,如擬裝儀表位置的上游有往復泵或調節閥,或下游有大負荷變化等,應改換測量位置或在管道系統予以補救改進,如加裝緩沖罐;若是儀表自身的振蕩,如測量時氣體壓力過低,儀表上游閥門未全開,調節閥未裝在儀表下游等原因,應針對性改進克服,或改選用有阻尼裝置的儀表。 5、轉子流量計要排盡液體用儀表內氣體 進出口不在直線的角型金屬轉子流量計,用于液體時注意外傳浮子位移的引申套管內是否殘留空氣,必須排盡;若液體含有微小氣泡流動時極易積聚在套管內,更應定時排氣。這點對小口徑儀表更為重要,否則影響流量示值明顯。 6、轉子流量計流量值應作必要換算 若非按使用密度、粘度等介質參數向轉子流量計生產廠家專門訂制的儀表,液體用儀表通常以水標定流量,氣體儀表用空氣標定,定值在工程標準狀態。使用條件的流體密度、氣體壓力溫度與標定不一致時,要做必要換算。換算公式和方法轉子流量計的制造廠使用說明書中都有詳述。


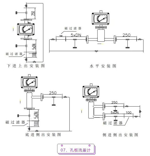
安裝要求
1、孔板在安裝前應檢查節流裝置編號和尺寸是否符合管道安裝位置的要求。 2、新裝管路系統,必須在管道沖洗和掃線后再進行孔板的安裝。 3、注意孔板安裝方向“+”號應該向著流束。 4、孔板中心應該和管道中心線相重合,同心度誤差不得超過0.015(1/β -1)的數值。 5、孔板在管道中安裝時應保證其端面與管道軸線垂直、垂直度誤差不得超過±1°。 6、夾緊孔板用的密封墊片(包括環室與法蘭、環室與孔板間),在夾緊后,不得突入管道內壁。 7、孔板安裝處必須嚴密,不允許有泄漏現象存在。因此,安裝工作必須在管道試壓前進行。 8、導壓管應垂直或傾斜敷設,其傾度不得小于1:12。粘度較高的流體,其傾斜度還應增大。當差壓訊號傳送距離大于3米時,導壓管應分段傾斜,并在各高點和低點分別裝設集氣器和沉降器。 9、為了避免差壓訊號傳送失真,正負導壓管應盡量靠近敷設,嚴寒地區還應采取防凍措施。可采用電熱或蒸氣保溫,但要防止被測介質過熱汽化和在導壓管中產生氣體造成假差壓。 10、孔板安裝在垂直主管道上時,取壓口位置,可在取壓裝置的平面上任意選擇。孔板安裝在水平或傾斜的主管道內,取壓口位置如圖四所示。 11、導壓管按被測介質的性質而選擇耐壓、耐腐蝕的材料制造,其內徑不得小于6毫米,長度好在16米之內。


安裝要求
1、安裝位置的選擇應避免電磁干擾。傳感器、變送器的安裝位置以及電纜鋪設應盡量遠離易產生強電磁場的設備,如大功率馬達、變壓器設施、變頻設備等。 2、質量流量傳感器安裝應使傳感器流向標識與流體流向一致。并使箭頭指向與變送器內部組態的流量方向一致。(注:質量流量計可以雙向使用。如果安裝方向與實際流向相反,修改變送器內的流向組態即可。) 3、質量流量計是根據測量管振動原理測量的流量儀表,因此傳感器安裝時應考慮在兩側的工藝管道近法蘭處(約2~10倍管徑處)做堅固的支撐,避免儀表及相關管路產生震動。若強烈的管道振動不可避免時,建議用柔性管將管道系統與儀表傳感器隔離。 4、因質量流量計是依據科氏力原理工作的,為避免重力對計量精度的影響。質量流量計的測量管無論是向上還是向下安裝,都要盡量使測量管與地平面保持垂直或水平。 5、安裝時連接法蘭面應相互平行,應使兩個法蘭的中心位于同一軸線避免產生附加應力。嚴禁用傳感器硬行拉直上、下游工藝管道,否則將影響測量甚至損壞傳感器。 6、在傳感器的上、下游管道上,建議安裝截止閥及旁路以方便調零、日常維護及確保傳感器在不工作時亦可處于滿管狀態。在貿易交接場合用的質量流量計不用加旁路。使用流量計下游的調節閥進行流量控制。 7、傳感器的安裝方向 要保證被測介質能夠完全充滿傳感器。對于液體要不集氣。對于氣體要不積液,對于粘稠、臟污、高凝點的介質要易排空(根據需要,也可在兩側加裝低點閥)。 8、新安裝管道或長期未用而剛剛啟用的管道,在質量流量計安裝之前必須對整條管道進行吹掃(尤其是上游管道),保證管道中不殘留任何焊渣或雜物。 9、質量流量計額安裝時建議在流量計進口處加過濾器。測量液體時,建議測量管垂直向下(如下圖);



通過上述流量計的介紹,常見的工況下的流量計安裝方式已經比較清楚了,對于復雜工況下的流量計安裝還需要具體情況具體分析,積累豐富的經驗是解決問題最重要的環節。
